一、产品特性:
1. XKC-Y25-XXX 非接触式液位传感器,适用于非金属容器,产品通过检测信号穿透非金属容器、管道外 壁感应检测液体的方式,而无需与液体直接接触,不会受到强酸、强碱等腐蚀性液体的腐蚀破坏,不受水垢或其 他杂物影响,即可完成在容器或管道外检测内部有无液体。
2. 可支持高低电平输出、NPN、PNP 信号输出(选型时与厂家说明即可)。
3. 检测液位准确稳定,冷、热、沸液体皆可检测。
4. 纯电子电路结构,非机械工作方式,性能稳定,持续使用寿命长。
5. 高稳定性,高灵敏度,抗干扰能力强,不受外界电磁干扰,针对工频干扰及共模干扰有做特殊处理,以 兼容市面上所有的 5-24V 电源适配器。
6. 使用范围广,感应能力强,可穿透检测各种非金属材质的容器内液体液位,如塑料、玻璃、陶瓷等容器, 感应距离(容器壁厚)可达 20mm;液体、粉末、颗粒物均可检测。
7. 开集电极输出方式,电压范围宽(5-24V),适合连接各种电路及产品应用。
二、工作原理:
智能型非接触式液位传感器是利用水的感应电容来检测是否有液体存在,在没有液体接近传感器时,传感器 上由于分布电容的存在,因此传感器对地存在一定的静态电容,当液面慢慢升高接近传感器时,液体的寄生电容 将耦合到传感器静态电容上,使传感器的电容值变大,该变化的电容信号再输入到控制 IC 进行信号转换,将变化的电容量转换成电路信号的模拟量变化,再由 MCU 计算和判断这个变化量的程度,当这个变化量超过一定的阈 值时就认为液位到达感应点。
项目名称 | 参数 | |||
产品规格型号 | XKC-Y25-V | XKC-Y25-RS485 | XKC-Y25-PNP | XKC-Y25-NPN |
直流输入 电压(Vin) | DC5V-24V | 24V (可定制 12V) | DC 5V-12V 和 DC24V | DC 5V-12V 和 DC24V |
输出方式 | 高低电平 | 通讯输出 | 开关量(高电平有效) | 开关量(低电平有效) |
电源纹波要求 | ≤200 mV | |||
耗电流 | 5mA | |||
响应时间 | 500mS | |||
工作环境温度 | -20~105℃ | |||
湿度 | 5%~100% | |||
感应厚度 (灵敏度)范 围 | ≤20mm (容器壁厚) | |||
液位精度 | ±1.5mm | |||
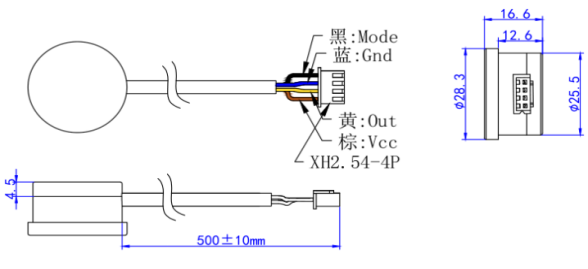
线长 | 500MM (±10MM)(批量可定制) | |||
线端定义 | 棕色(VCC)、黄色(信号输出) 蓝色(GND)、黑色(信号选择端) | |||
材质 | PC-V0 防火料 | |||
防水性能 | IP67 | |||
安规标准认证 | CE | |||
环保认证 | ROHS-2.0 | |||
